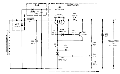
This linear post regulator provides 12 V at 3 A. It employs TL431 reference Ul which, without additional amplification, drives TMOS MTP3055A gate Ql series pass regulator. Bias voltage is applied through Rl to Q1`s gate, which is protected against overvoltage by diode CRl.
Frequency compensation for closed-loop stability is provided by Cl. Key performance features are: Dropout voltage: 0.6 V Load regulation: lOmV Line regulation: ± 5 m V Output ripple: 10 mVpk-pk
Low Dropout Linear Regulator Circuit Diagram





0 comments:
Post a Comment
Note: Only a member of this blog may post a comment.